- Технические характеристики и другая информация предоставляются для справки.
- Чертежи и изображения представлены для ознакомления
Подшипник скольжения сферический GAKR 20 PW
Подшипник скольжения сферический GAKR 20 PW конструкция которого представлена внешним кольцом, внутри вращается внутренняя обойма. Существуют прямые, шарнирные (самовыравнивающиеся), угловые, гидравлические, двойные шарикоподшипниковые и роликоподшипниковые варианты исполнения. Отдельные разновидности изделий (с парой трения «сталь – сталь») нуждаются в обслуживании и имеют каналы для подачи смазки, в то время как другие не нуждаются в ТО. В первом случает система включает в себя пару стальных шин, обработанную предварительно фосфатами и дисульфитом молибдена. Необслуживаемые модели покрываются политетрафторэтиленом, армируются медью и дополнительно усиливаются хромом.
Каковы преимущества Подшипник скольжения сферический GAKR 20 PW?
- Деталь самоцентрируется в процессе монтажа, автоматически устраняя перекосы вала и несоосность.
- Воспринимает одновременно нагрузки разнонаправленного типа: аксиальную и действующую в обоих направлениях осевую.
- Отличается крайне высокой износостойкостью, минимальной ползучестью и способностью работать в ударных темпах.
Покупайте Подшипник скольжения сферический GAKR 20 PW ГОСТ или его (аналоги ISO) по выгодной цене, также заказывайте другие изделия среди модельного ряда нашего онлайн-каталога от производителей FAG, KOYO, NSK, SKF, SNR!
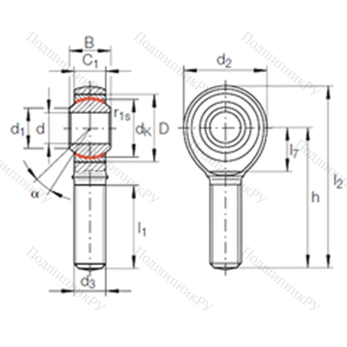
Технические характеристики
Обозначение : GAKR 20 PW
Размеры, мм : 20x40x25
Производитель : INA
Диаметр внутренний, мм : 20
Диаметр наружный, мм : 40
Высота, мм : 25
Технические данные из каталога производителя :
Внутренний диаметр (d) - 20 мм.
Наружный диаметр (D) - 40 мм.
Ширина (высота) (B) - 25 мм.
Размер (d1) - 24,3 мм.
Размер (d2) - 50 мм.
Размер (dk) - 34,925 мм.
Размер (h) - 78 мм.
Размер (l1 min.) - 45 мм.
Размер (l2 max.) - 103 мм.
Размер (l7 min.) - 26 мм.
Размер (r1 min.) - 0,3 мм.
Размер (C1) - 18 мм.
Резьба (G) - M20X1,5
Угол наклона - 14 Градусы
Масса - 0,38 Кг
Грузоподъемность динамическая (C) - 57 кН
Грузоподъемность статическая (C0) - 45,6 кН
Уплотнение - Нет
|
Производитель
|
INA |
|
Ширина B
|
25 |
|
Внешний диаметр D
|
40 |
|
Внутренний диаметр d
|
20 |
|
Размер
|
20x40x25 |
|
Вес, кг
|
0.38 |
|
Модель
|
GAKR-20-PW-INA |
|
SKU
|
GAKR-20-PW-INA |
|
Диаметр вала d1
|
24,3 мм. |
Похожие по размеру
Оформить заказ на нашем сайте легко. Просто добавьте выбранные товары в корзину, а затем перейдите на страницу Корзина, проверьте правильность заказанных позиций и нажмите кнопку «Оформить заказ» или «Быстрый заказ».
Функция «Быстрый заказ» позволяет покупателю не проходить всю процедуру оформления заказа самостоятельно. Вы заполняете форму, и через короткое время вам перезвонит менеджер магазина. Он уточнит все условия заказа, ответит на вопросы, касающиеся качества товара, его особенностей. А также подскажет о вариантах оплаты и доставки.
По результатам звонка, пользователь либо, получив уточнения, самостоятельно оформляет заказ, укомплектовав его необходимыми позициями, либо соглашается на оформление в том виде, в котором есть сейчас. Получает подтверждение на почту или на мобильный телефон и ждёт доставки.
Если вы уверены в выборе, то можете самостоятельно оформить заказ, заполнив по этапам всю форму.
Выберите из списка название вашего региона и населённого пункта. Если вы не нашли свой населённый пункт в списке, выберите значение «Другое местоположение» и впишите название своего населённого пункта в графу «Город». Введите правильный индекс.
В зависимости от места жительства вам предложат варианты доставки. Выберите любой удобный способ.
Оплата
Выберите оптимальный способ оплаты.
Введите данные о себе: ФИО, адрес доставки, номер телефона. В поле «Комментарии к заказу» введите сведения, которые могут пригодиться курьеру, например: подъезды в доме считаются справа налево.
Проверьте правильность ввода информации: позиции заказа, выбор местоположения, данные о покупателе. Нажмите кнопку «Оформить заказ».
Наш сервис запоминает данные о пользователе, информацию о заказе и в следующий раз предложит вам повторить к вводу данные предыдущего заказа. Если условия вам не подходят, выбирайте другие варианты.
