- Технические характеристики и другая информация предоставляются для справки.
- Чертежи и изображения представлены для ознакомления
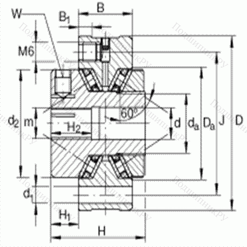
Роликоподшипник упорно-радиальный игольчатый ZAXFM 1255
Технические характеристики
Обозначение : ZAXFM1255
Размеры, мм : 12x55x20
Производитель : INA
Диаметр внутренний, мм : 12
Диаметр наружный, мм : 55
Высота, мм : 20
Технические данные из каталога производителя :
d - 12 mm
D - 55 mm / Наружное кольцо подшипника с голубым анодированием.
B - 20 mm
1) - / подвод смазки
B1 - 5 mm
Da min - 35 mm
d1 - 5,3 mm
d2 - 34 mm
d3 - 4,3 mm
da max - 19 mm
H - 35 mm
H1 - 10 mm
H2 - 15 mm
J - 45 mm
m - M12X1
t - 24 mm
W - 3 mm / резьбовой штифт по DIN 913
m - 160 g / Вес
- M5 / крепежные винты по DIN 912Моменты затяжки винтов крепления согласно данным производителя. Винты по DIN 912 в комплект поставки не входят.
Ca - 9600 N / динамическая грузоподъемность, осевая
C0a - 24500 N / статическая грузоподъемность, осеваяP 0 zul = 0,5 x C 0a
nG Fett - 1200 1/min / Предельная частота вращения
MRL - 6 Ncm / момент трения в подшипникеВНИМАНИЕ: при выборе размеров должен быть учтен момент трения при пуске от 2 до 3 x M RL. Значения из таблиц являются ориентировочными при частоте вращения около 5 1/мин.
- 0,05 mm / величина торцовых биенийВНИМАНИЕ: при выборе размеров должен быть учтен момент трения при пуске от 2 до 3 x M RL. Значения из таблиц являются ориентировочными при частоте вращения около 5 1/мин.
caL - 550 N/µm / осевая жесткость
Mm - 0,1221 kg x cm^2 / момент инерции массы для вращающегося внутреннего кольца и встроенной регулировочной гайки
Mm - 5 Nm / резьбовой штифт по DIN 913
- KGT16X5 / рекомендуемый шариково-винтовой привод по DIN 69051TR18X4 рекомендуемый привод с трапецеидальной резьбой по DIN 103
двустороннего действия, с предварительным натягом
|
Производитель
|
INA |
|
Ширина B
|
35 |
|
Внешний диаметр D
|
55 |
|
Внутренний диаметр d
|
12 |
|
Размер
|
12x55x35 |
|
Вес, кг
|
0.16 |
|
Модель
|
ZAXFM1255-INA |
|
SKU
|
ZAXFM1255-INA |
Похожие по размеру
Оформить заказ на нашем сайте легко. Просто добавьте выбранные товары в корзину, а затем перейдите на страницу Корзина, проверьте правильность заказанных позиций и нажмите кнопку «Оформить заказ» или «Быстрый заказ».
Функция «Быстрый заказ» позволяет покупателю не проходить всю процедуру оформления заказа самостоятельно. Вы заполняете форму, и через короткое время вам перезвонит менеджер магазина. Он уточнит все условия заказа, ответит на вопросы, касающиеся качества товара, его особенностей. А также подскажет о вариантах оплаты и доставки.
По результатам звонка, пользователь либо, получив уточнения, самостоятельно оформляет заказ, укомплектовав его необходимыми позициями, либо соглашается на оформление в том виде, в котором есть сейчас. Получает подтверждение на почту или на мобильный телефон и ждёт доставки.
Если вы уверены в выборе, то можете самостоятельно оформить заказ, заполнив по этапам всю форму.
Выберите из списка название вашего региона и населённого пункта. Если вы не нашли свой населённый пункт в списке, выберите значение «Другое местоположение» и впишите название своего населённого пункта в графу «Город». Введите правильный индекс.
В зависимости от места жительства вам предложат варианты доставки. Выберите любой удобный способ.
Оплата
Выберите оптимальный способ оплаты.
Введите данные о себе: ФИО, адрес доставки, номер телефона. В поле «Комментарии к заказу» введите сведения, которые могут пригодиться курьеру, например: подъезды в доме считаются справа налево.
Проверьте правильность ввода информации: позиции заказа, выбор местоположения, данные о покупателе. Нажмите кнопку «Оформить заказ».
Наш сервис запоминает данные о пользователе, информацию о заказе и в следующий раз предложит вам повторить к вводу данные предыдущего заказа. Если условия вам не подходят, выбирайте другие варианты.
