- Технические характеристики и другая информация предоставляются для справки.
- Чертежи и изображения представлены для ознакомления
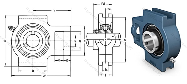
Подшипниковый узел UCT 214 70x70x224 KOYO
Внимание: для уточнения актуальной цены, наличия и условий поставки рекомендуем обратиться к менеджеру отдела продаж. Отгрузка отдельных позиций может занимать от 2 рабочих дней, так как товары находятся на разных складах на территории РФ.
Условия заказа и доставки
- Продажи осуществляются только юридическим лицам
- Доставка в Новосибирске выполняется через ТК: СДЭК, Деловые Линии, Возовоз, Энергия
- Для небольших подшипников действует минимальная партия
- Счета выставляются от 5000 руб.
Подшипниковый узел UCT214 представляет устройство, обеспечивающее качение или вращение с минимальным сопротивлением за счёт реализации трения качения. Подшипник относится, в зависимости от типа, к шариковым или роликовым.
Подшипник, по геометрии тел качения, является цилиндрическим (с игольчатыми роликами, короткими или длинными), относится к бочкообразным либо витым, пустотелым или коническим. Кроме этого Подшипниковый узел UCT214 подразделяется по воспринимаемой нагрузке, способности воспринимать перекосы, числу рядов роликов/шариков, геометрии посадочного отверстия.
Выпускается производителями в закрытом и открытом исполнении, может являться необслуживаемым или требует вторичного смазывания.
Какие задачи позволяет решить Подшипниковый узел UCT214?
- поддержание оси, вала либо иной подвижной детали с требуемой жёсткостью;
- восприятие и передача внешней нагрузки от подвижного элемента на иные части узла;
- обеспечение вращения вала, включая реверсивное.
Нужен оригинальный Подшипниковый узел UCT214 известного бренда. Купи его сегодня в нашей компании.
| Размеры | d | o | g | p | q | s | b | k | e | a | w | j | l | h | t | z | Bi | n | вес, кг |
| UCT214 | 70 | 32 | 21 | 111 | 70 | 41 | 121 | 26 | 151 | 167 | 224 | 70 | 46 | 137 | - | - | 74,6 | 30,2 | 6,717 |
|
Производитель
|
KOYO |
|
Ширина B
|
224 |
|
Внешний диаметр D
|
70 |
|
Внутренний диаметр d
|
70 |
|
Размер
|
70x70x224 |
|
Вес, кг
|
6.717 |
|
Модель
|
UCT 214 |
|
Завод
|
SKF |
Аналог
| Название | Размер | Вес | Стандарт | Производитель |
| 70x70x224 | 6.717 | Уточнить | LPZ |
Похожие по размеру
Поставка Подшипниковый узел UCT 214 70x70x224 KOYO и других подшипников и комплектующих осуществляется для юридических лиц по безналичному расчету. Счета выставляются от 5000 руб. Для части малогабаритных подшипников действует минимальная партия заказа.
Вы можете оформить заказ через корзину сайта или отправить заявку в отдел продаж. После получения заявки менеджер проверит наличие, уточнит стоимость, сроки поставки и подготовит счет. Если требуется помощь с подбором подшипников, аналогов или уточнение технических параметров, менеджеры помогут подобрать подходящее решение.
Отправка заказов по России осуществляется транспортными компаниями:
- СДЭК
- Деловые Линии
- Возовоз
- Энергия
Менеджер согласует сроки отгрузки, стоимость доставки и передачу груза в транспортную компанию.
В связи с наличием нескольких складов срок отгрузки некоторых позиций может составлять от 2 рабочих дней.
Оплата производится по безналичному расчету на основании выставленного счета. Резервирование товара осуществляется после согласования заказа с менеджером отдела продаж.
Отправить запрос на подбор аналога
Гарантийные обязательства подтверждаются документами производителя и действуют при соблюдении условий хранения, монтажа и эксплуатации.
Что покрывает гарантия
Гарантия распространяется на заводские дефекты материалов и изготовления, несоответствие заявленным техническим характеристикам, а также поставку некомплектного изделия согласно спецификации. Факт дефекта подтверждается актом или заключением производителя либо сервисного центра. Срок гарантии определяется паспортом или каталогом производителя и составляет, как правило, до 12 месяцев с даты приёмки товара по УПД/накладной. По отдельным позициям срок может отличаться - уточняйте у менеджера при оформлении заказа.
Гарантия не распространяется на:
- механические и электрические повреждения, следы ударов и коррозии;
- нарушение условий хранения, монтажа, смазки или эксплуатации;
- следы вскрытия или вмешательства, установку нестандартных запчастей;
- повреждения из-за внешних факторов и форс-мажора.
Как обратиться по гарантии
Направьте письмо на info@podshipnikru.com с темой "Гарантия", укажите номер УПД/счёта, опишите дефект и приложите фото или видео. При необходимости изделие направляется на диагностику. Срок рассмотрения заявки - до 10 рабочих дней с момента получения полного пакета документов. По итогам принимается решение о ремонте, замене или возврате средств.
Возврат товара
Возврат товара надлежащего качества возможен по соглашению сторон при условии, что товар не был в эксплуатации, сохранены товарный вид, пломбы и комплектность. Возврат или обмен необходимо согласовать с менеджером до отправки. Доставка товара до нашего склада при возврате в Новосибирске осуществляется за счёт покупателя - стоимость транспортных расходов не компенсируется. Возвращается стоимость товара согласно документам поставки.


